Saturday December 29 2018

uVGA controller

Hello, this is the tutorial for the uVGA controller implemented on an Arduino Uno.

Here is the demo video:

 

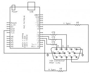
Here is the schematic:
(note that the 68ohm resistors can be ~+/-  10%)

(Picture credit goes to Nick Gammon’s site, linked at end of post)

And the Implementation (Hardware for this project is totally Plug-and-Chug, have fun!):

 

And here is the Arduino Code,  and the Processing GUI Code.

Please note that, the Timer values and some other ‘seed’ code was derived from this guy’s work

Nick Gammon @ http://www.gammon.com.au/forum/?id=11608